Заказать звонок
разработка под ваши требования

Индивидуальный Проект дома

индивидуальный проект дома заказать
от идеи до реализации
✓ Создание индивидуального планировочного решения
✓ Разработка решения отделки фасада
✓ Осмотр вашего земельного участка:
  • снятие высот (перепад участка)
  • проведение анализа грунта
  • вынос посадки дома в натуру
✓ 3D визуализация проекта (картинки и видео)
✓ Оптимизация проекта под выбранную технологию строительства
✓ Детальный расчёт со сроками строительства. Учитывая особенности участка и ваши пожелания
✓ Конструктивный раздел проекта


Вопрос специалисту

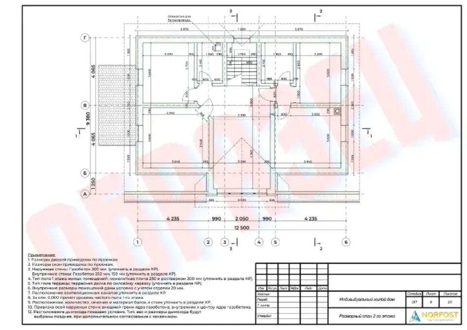
раздел проекта АР

Делаем всегда, даже на готовые проекты домов. На этом этапе мы перепроверяем объемы материалов, возможность применения материалов используемых в проекте и осуществляем анализ грунта на месте строительства. Чтобы максимально точно оценить стоимость до начала производства работ.

ВИДЕО НА ПРОЕКТ дома

По итогам разработки индивидуального проекта дома вы сможете не только прогуляться внутри дома по 3D визуализации, но и увидеть коттедж в согласованной с вами отделке на реалистичном видео.

Обсудить проект

раздел проекта КР

Перед началом производства строительных работ разрабатывается ещё одна важная часть проекта - конструктивный раздел проекта. Простыми словами - инструкция, как построить спроектированный объект, чтобы дом служил вам долгие годы. И сколько материалов нам потребуется чтобы его построить. 

97% клиентов заказывают разработку проекта дома

CRM-форма появится здесь


Cookie-файлы
Настройка cookie-файлов
Детальная информация о целях обработки данных и поставщиках, которые мы используем на наших сайтах
Аналитические Cookie-файлы Отключить все
Технические Cookie-файлы
Другие Cookie-файлы
Мы используем файлы Cookie для улучшения работы, персонализации и повышения удобства пользования нашим сайтом. Продолжая посещать сайт, вы соглашаетесь на использование нами файлов Cookie. Подробнее о нашей политике в отношении Cookie.
Понятно Подробнее
Cookies